Kondenzácia

   Princíp

Kondenzácia je metóda, ktorou sa odstraňujú výpary rozpúšťadiel z prúdu odpadových plynov pomocou znižovania teploty pod rosný bod. V závislosti od rozsahu teploty existujú rôzne metódy kondenzácie:

          kondenzácia chladiacim médiom až na kondenzačnú teplotu 25 º C,

          kondenzácia chladivom až na kondenzačnú teplotu 2 º C,

          kondenzácia soľankou až na kondenzačnú teplotu –10 ºC,

          kondenzácia amoniakovou soľankou až na kondenzačnú teplotu –40 ºC (jeden stupeň), resp. –60 ºC (dva stupne),

          kryogénna kondenzácia až na kondenzačnú teplotu –120 ºC (v praxi často od –40 do –80 ºC v kondenzačnom zariadení),

          kondenzácia s uzavretým cyklom inertného plynu.

   Použiteľnosť

Kondenzácia je vhodná na odstraňovanie prchavých organických látok z odpadového plynu, ak je ich obsah vyšší ako 1 %. Ak je nižší a pohybuje sa v rozsahu ppm, je potrebné použiť adsorpciu. Ak koncentrácia emisií v upravovanom plyne veľmi kolíše, je vhodné použiť kondenzáciu a následne adsorpciu (Gupta a Verma, 2002).

Kondenzácia chladiacim médiom sa používa viac-menej v prípade nasýtených prúdov plynu (t. j. s vysokým rosným bodom) prchavých zlúčenín (organických aj anorganických) a zapáchajúcich látok. Ak sú zapáchajúce látky rozpustné vo vode, odstraňujú sa z prúdu plynu nasýteného vodou, kde kondenzovaná voda pôsobí ako absorbent. Kondenzácia chladiacim médiom sa používa najmä ako počiatočný alebo záverečný stupeň úpravy prúdiacich odpadových plynov v iných systémoch. Odstránenie hlavného zaťaženia prchavými organickými látkami odľahčuje ďalšie čistiace zariadenia, ako sú adsorbenty, zariadenia na vypieranie (skrubre) alebo spaľovacie zariadenia. Kondenzácia je vhodná aj ako dodatková úprava obohatených prúdov plynu napr. z membránovej separácie.

Kryogénna kondenzácia dokáže odstrániť všetky prchavé organické látky a prchavé anorganické znečisťujúce látky bez ohľadu na ich jednotlivý tlak pár. Nízka teplota procesu umožňuje na jednej strane vysokú efektívnosť, a to až do takej miery, že táto metóda je vhodná na konečnú emisnú reguláciu prchavých organických látok. Na druhej strane, teplota nižšia ako bod mrazu vody nevyhnutne vyžaduje prívod plynu bez obsahu vody. Umožňuje okamžite reagovať na zmeny v rýchlosti prúdenia prchavých organických látok a zmeny obsahu rozpúšťadiel a tiež získavať akýkoľvek druh prchavých organických látok, dokonca aj pri meniacich sa podmienkach. Takáto flexibilita robí túto metódu obzvlášť vhodnou na odstraňovanie prchavých organických látok vo viaczložkových produktoch a viacúčelových zariadeniach, v ktorých sa používa (BREF, 2002).

   Základná charakteristika

Kondenzácia sa vykonáva pomocou priameho alebo nepriameho chladenia. Pri priamom chladení ide o priamy kontakt medzi plynom a chladiacou kvapalinou, kým nepriame chladenie sa zabezpečuje prostredníctvom výmenníka tepla. Uprednostňuje sa nepriama kondenzácia, pretože priama kondenzácia vyžaduje prídavný oddeľovací stupeň. Kondenzačné systémy sú rôzne, od jednoduchých samostatných kondenzátorov až po komplexné, multikondenzátorové systémy projektované s cieľom maximálneho opätovného získavania energie a pár.

Kondenzácia s uzavretým cyklom inertného plynu je určená na čistenie plynov s vysokou koncentráciou pár. Stály objem inertného plynu, zvyčajne dusíka, sa plynulo recykluje okolo ohrievacej a kondenzačnej jednotky. Časť zmesi dusíka a pary sa plynulo vháňa do upravovacieho modulu, v ktorom súprava výmenníkov tepla chladí a kondenzuje pary.

Konštrukcia a prevádzka kondenzátorov výrazne závisí od chladiaceho média použitého v procese. V zariadeniach na kondenzáciu chladenou kvapalinou sa používajú dva typy výmenníkov tepla:

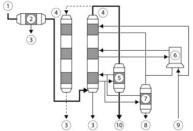
Konvenčný kotlový výmenník tepla, ktorý je chladený buď vodou, alebo vzduchom. Efektivita kondenzácie sa môže zvýšiť dvojstupňovým chodom, použitím vody v prvom stupni a chladenou kvapalinou (voda, soľanka atď.) ako chladiacim médiom v druhom stupni. Dvojstupňový systém pozostáva z týchto častí (obr. 4.3.25):

          rekuperátor, v ktorom sa používa prúd chladeného čisteného plynu ako chladiaci prostriedok,

          chladič na ďalšie ochladenie plynu s použitím prúdu mrazenej vody alebo chladeného čisteného vzduchu,

          hlavný kondenzátor,

          ventily a trubice.

 

Obr. 4.3.25. Schéma dvojstupňového kondenzačného systému (BREF, 2002).

 

Ďalšia možnosť kondenzácie je čiastočná kondenzácia pri trochu vyššej teplote, po ktorej sa zostávajúce prchavé organické látky z prúdu plynu odstraňujú inou metódou, napr. adsorpciou. Na minimalizovanie tvorby hmly možno použiť sadu kondenzačných jednotiek, ale aj zariadenie na odstraňovanie hmly, ktoré znižuje rýchlosť plynu.

Druhý typ je špirálový výmenník tepla. Jeho základ tvoria dva dlhé plechové pásy zvinuté tak, aby vytvorili pár sústredných špirálových priechodov. Chladiace médium vchádza cez okrajovú dýzu a špirály dovnútra a vychádza do dýzy na okraji. Pary vstupujú cez spodnú časť kondenzátora a prúdia hore v priečnom prúde. Ak sú súčasťou chladiace veže alebo sa použije povrchová voda, môžu výmenníky tepla podliehať znečisteniu. To si vyžaduje výplachové programy alebo úpravu chladiacej vody. V prípade kyselinových alebo zásaditých zložiek je možné uvažovať o použití recirkulačného systému obsahujúceho kyselinový alebo alkalický dávkovač (BREF, 2002).

Kryogénna kondenzácia je založená na vyparovaní kvapalného dusíka ako chladiaceho média, ktorým sa kondenzujú prchavé organické látky na povrchu kondenzátora. Kvapalný dusík je netoxické a nezápalné chladiace médium nespôsobujúce koróziu. Vyparený dusík slúži na vytvorenie inertnej clony (obr. 4.3.26). Iným variantom je kondenzácia v inertnej atmosfére (napr. dusíkovej), ktorá umožňuje, aby prúd vzduchu obsahoval vyššiu koncentráciu prchavých organických látok (obr. 4.3.27). Keď sa znečistený prúd pary ochladzuje, prchavé organické látky sa budú oxidovať pri dosiahnutí rosného bodu. Zmeny v rýchlosti prúdenia prchavých organických látok sa dajú ľahko vyrovnávať rýchlou reakciou ovládača vstrekovania kvapalného dusíka (NC DPPEA, 2009).

 

Obr. 4.3.26. Systém úpravy kryogénnou kondenzáciou s typickou dusíkovou clonou (BREF, 2002).

Vysvetlivky: 1 – zásobník kvapalného dusíka, 2 – kondenzačná jednotka, 3 – dusík, 4 – ventil pre dusík, 5 – aplikácie clonené dusíkom, 6 – reaktory, 7 – zásobníky získavanej látky, 8 – sušičky, 9 – dusík + látka, 10 – získaná látka.

 

Obr. 4.3.27. Systém kryogénnej kondenzácie v inertnej atmosfére (BREF, 2002).

Vysvetlivky: 1 – znečistený vzduch, 2 – podporný kondenzátor, 3 – získaná látka, 4 – hlavný kondenzátor, 5 – predhrievač procesu, 6 – predhrievač dusíka, 7 – odparovač/rozprašovač/karburátor dusíka, 8 – ventil na dusík, 9 – kvapalný dusík, 10 – vyčistený vzduch.

 

Systém kryogénnej kondenzácie tvoria:

          prípravný kondenzátor, v ktorom sa používa zmrazená voda alebo glykol,

          hlavný proces kondenzácie,

          ekonomizér procesu,

          dusíkový ekonomizér,

          odparovač dusíka,

          ventily a potrubia.

Bežný systém kondenzácie s uzavretým cyklom inertného plynu (obr. 4.3.28) sa skladá z:

          výmenníka tepla, ktorý predchládza prúd plynu,

          hlavného kondenzátora, ktorý je mechanicky chladený až do –40 ºC,

          oddeľovača rozpúšťadla a zásobníka dusíka.

 

Obr. 4.3.28. Typický systém kondenzácie s uzavretým cyklom inertného plynu (BREF, 2002).

Vysvetlivky: 1 – znečistený vzduch, 2 – pec, 3 – výmenník tepla, 4 – hlavný kondenzátor, 5 – chladiace zariadenie, 6 – separátor zložiek, 7 – získané látky, 8 – ochudobnený prúd, 9 – zdroj dusíka, 10 – finálny stupeň úpravy, 11 – čistý prúd dusíka, 12 – veľmi ochudobnený prúd, 13 – ochudobnený prúd na recykláciu.

   Výhody a limitácie

Výhody kondenzácie chladiacim médiom spočívajú v kompaktnosti metódy a dobrej ovládateľnosti procesu (prinajmenšom je možné približne vypočítať emisie). Medzi výhody patrí aj to, že následné upravovacie zariadenia nie sú vystavené vysokému zaťaženiu, a preto je ich prevádzka ekonomickejšia. Výhodou kryogénnej kondenzácie je kompaktnosť metódy, ale aj získanie organických roztokov za predpokladu, že sa dajú oddeliť z kondenzovanej zmesi. Ďalšou výhodou je vysoká efektivita odstraňovania prchavých organických látok, možnosť recyklovať dusík, jednoduché ovládanie procesu (prinajmenšom je možné približne vypočítať emisie) a možnosť využitia tepla. Kryogénnou kondenzáciou je možné znovu získať roztoky za predpokladu, že prúd plynu neobsahuje zmes prchavých organických látok, ktoré sú ťažko oddeliteľné. Nekontaminuje odstraňovanú látku a nevytvára sa sekundárne znečistenie (NOx, kyslé plyny, dioxíny). Je spoľahlivá aj pri občasnom použití (NC DPPEA).

Nevýhodou kondenzácie chladiacim médiom je nevyhnutnosť následnej úpravy alebo spracovania oddelených látok. Ak ide o kondenzáciu pri teplote nižšej ako 0 ºC, plyn nesmie obsahovať vodu. Množstvo prachu nesmie byť väčšie ako 50 mg . h–1. Efektivita podstatne závisí od rýchlosti prúdenia plynu (100 – 100 000 m3 . h–1) a jeho zloženia. Kryogénna kondenzácia nie je vhodná pre vlhké prúdy plynu (do 5 000 m3 . h–1), pretože tvorba ľadu bráni prenosu tepla. Potrebné je zariadenie na výrobu dusíka alebo jeho externý zdroj. Chladiace médiá s teplotou nižšou ako bod mrazu môžu spôsobovať tvorbu ľadu na výmenníku tepla.

   Trvanie čistenia a účinnosť

Účinnosť kondenzácie chladiacim médiom je 60 – 90 % pri počiatočnom množstve 100 000 zápachových jednotiek na m3, v prípade amoniaku 20 – 60 % pri 200 – 1 000 mg . m–3. Pokles tlaku je 0,1 – 0,2 kPa. Množstvo emisií pri použití kryogénnej kondenzácie pri počiatočnom množstve danej látky 20 – 1 000 g . m–3 je takéto: dichlórmetán – menej ako 40 mg . m–3 pri teplote –95 ºC, toluén – menej ako 100 mg . m–3 pri teplote –65 ºC, metyletylketón – menej ako 150 mg . m–3 pri teplote –75 ºC, acetón – menej ako 150 mg . m–3 pri teplote –86 ºC, metanol – menej ako 150 mg . m–3 pri teplote –60 ºC, prchavé organické látky – menej ako 100 mg . m–3. Pokles tlaku je 2 – 5 kPa (BREF, 2002).

Kryogénna kondenzácia je efektívna pri vyššej koncentrácii znečisťujúcich látok ako adsorpcia (Dwivedi et al., 2004). Po procesoch kondenzácie stále ostáva určitá koncentrácia prchavých organických látok, ktoré môžu vyžadovať ďalšiu úpravu (napr. adsorpciu alebo spaľovanie).

Množstvo odpadovej vody, ktoré vznikne v kondenzačnom zariadení, je priamoúmerné množstvu kondenzátu, ktoré je priamoúmerné obsahu kvapaliny a vybranej chladiacej teplote.

Kontrola efektivity kondenzačných systémov sa môže vykonávať sledovaním koncentrácie výparov pred procesom a po ňom. Prchavé organické látky sa môžu stanovovať ako celkový uhlík bez pevnej fázy použitím plameňového ionizačného detektora. Efektivita zníženia zápachových emisií sa stanovuje odoberaním bodových vzoriek na vhodných vzorkovacích miestach a ich následnou analýzou olfaktomerom (zápachomerom). Kryogénne systémy vyžadujú sledovanie poklesu tlaku.

V kryogénnych systémoch sa používajú štandardné programovateľné signálové ovládače na riadenie spotreby dusíka na chladenie. Ak sú nastavené poplašné znamenia a operátori vykonávajú rutinné kontroly počas každej pracovnej zmeny, automatická prevádzka zariadenia by mala byť bezproblémová.

V systémoch s cyklami inertného plynu sa dodatočne vykonáva analýza kyslíka, aby sa z bezpečnostných dôvodov zabezpečilo udržanie inertnej atmosféry s obsahom kyslíka nižším ako 5 %. Ak je obsah kyslíka príliš vysoký, injektuje sa dusík, aby sa obnovila inertná atmosféra (BREF, 2002).

 

Na náklady vplývajú viaceré faktory. Celková veľkosť systému a nároky na zariadenie závisia od rýchlosti prúdenia emisií. Požadované zníženie teploty priamoúmerne ovplyvňuje náklady na zariadenie a zásobu chladiaceho média. Zloženie a rozpustnosť prítomných znečisťujúcich látok určujú komplexnosť separačných metód a intenzitu ich energie (BREF, 2002).

Kryogénna kondenzácia je ekonomicky veľmi efektívna metóda na odstraňovanie prchavých organických látok. Pri zhodnotení všetkých nákladov počas životnosti zariadenia na kryogénnu kondenzáciu je táto metóda významne lacnejšia ako tepelná oxidácia, katalytická oxidácia, spaľovanie pri vysokej teplote, adsorpcia a vypieranie (Davis a Zeiss, 2004).

Pri vyčíslení nákladov je potrebné počítať aj s nákladmi na ďalšie zložky systému, ktorými sú:

          para ako rozmrazovacie médium, keď kondenzátor zamrzne pod vplyvom vlhkosti v prúde plynu,

          stlačený vzduch bez obsahu vlhkosti na pneumatické operácie,

          kondenzát, ktorý sa môže znovu použiť, prepracovať alebo likvidovať,

          spotreba kvapalného dusíka, ktorá zahŕňa pohotovostné spracovanie (udržiavanie teploty) a chladenie prichádzajúceho prúdu plynu v procese kondenzácie.

 

© Atlas sanačných metód environmentálnych záťaží

Autori: Jana Frankovská, Jozef Kordík, Igor Slaninka, Ľubomír Jurkovič, Vladimír Greif,

Peter Šottník, Ivan Dananaj, Slavomír Mikita, Katarína Dercová a Vlasta Jánová

Štátny geologický ústav Dionýza Štúra, Bratislava 2010, 360 s,

ISBN    978-80-89343-39-3